AR27.60-P-0901R Remove/Install Electronic Selector Lever Module (ESM)
Removing and installing electronic selector lever module (ESM)
- with transmission 722.6

Remove/install
Danger:
- Lethal injuries are possible if vehicle slips off of lifting platform
- Align vehicle between the columns of the lifting platform and position the four support plates at the lifting platform support points specified by the vehicle manufacturer.
NOTE:
- The vehicle must be horizontal
- Park vehicle on two-/four-column lift platform or over inspection pit.
CAUTION: Installation: Replace self-locking nuts and bolts.
1 Move selector lever into position "R"
2 Turn key in electronic ignition lock EIS into position "O".
NOTE: Key cannot be withdrawn.
3.1 Remove shift rod
- Model 230
3.2 Detach shift rod at intermediate lever
4.1 Remove cover at selector lever
- Model 230
4.2 Remove center console
- Model 215
- Model 220
5 Remove air duct for center rear compartment air nozzle
- Models 215, 220
NOTE: Not if rear air conditioning (code 582) fitted.
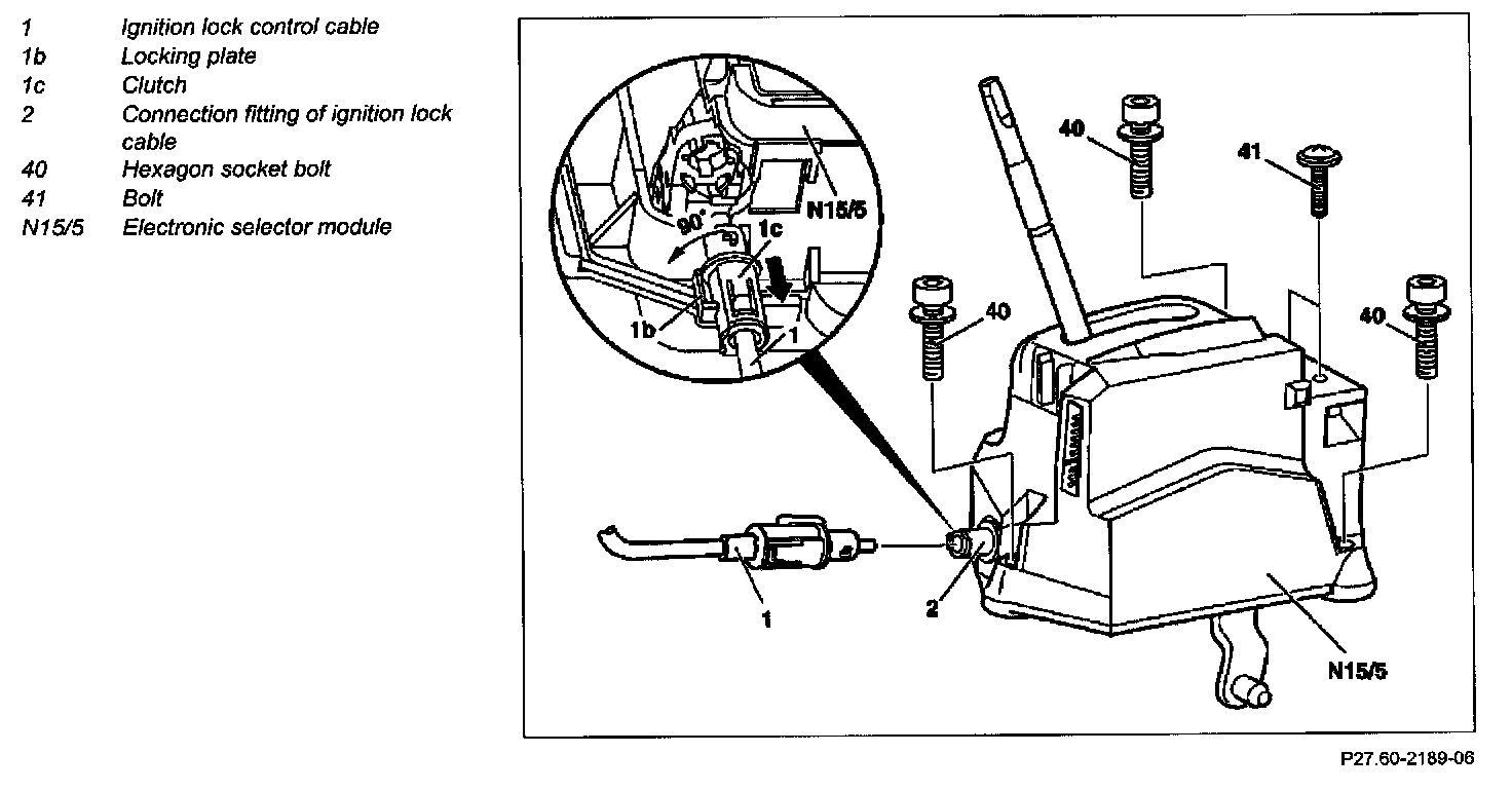
6 Unscrew bolts (41)
- Model 230
7 Unscrew hexagon socket bolts (40)
NOTE: Model 230: Use hexagon socket wrench with ball head.
8 Disconnect electric couplings at electronic selector lever module (N15/5)
9 Release ignition lock cable (1) at connection fitting of ignition lock cable (2)
- Raise locking catch (1b) and push connector (1c) against force of spring into electronic selector lever module (N15/5), turn 90 degrees to the left or right and pull off ignition lock cable (1).
10 Take out electronic selector lever module (N15/5)
NOTE: Model 230: Raise center console at rear.
CAUTION: Installation: Do not jam any electric cables in between.
11 Install in the reverse order
NOTE: After installing, erase fault codes with STAR DIAGNOSIS.
12 Perform function check
- If result is negative: Set shift rod.