Parking Shift Lock

General
A parking shift lock is installed as a protection against unauthorized operation. The Selector lever is locked in position "P" when the ignition key is withdrawn and the service brake is not applied.
The key can only be withdrawn from the steering lock when the selector lever is in position "P". To release the locked selector lever, the service brake must also be depressed in order to move the selector lever from position "P" into a drive position.

Selector Lever Position "P" Not Engaged
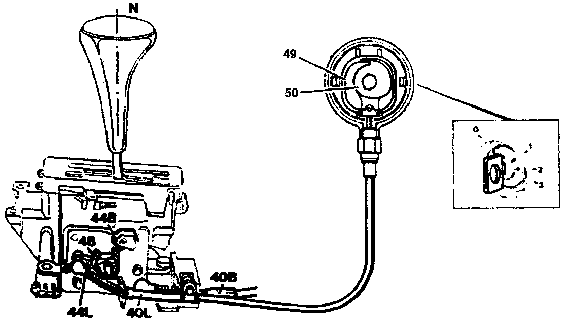
The locking levers (44B) and (44L) are not engaged in the locking plate (48). The slide valve (49) in the steering lock locks the cam (50) of the locking cylinder by means of a mechanical stop. Consequently, the ignition key cannot be turned back to position "O" (withdrawing key).

Selector Level Position "P"
The locking levers (44B) and (44L) are engaged in the locking plate (48). The slide valve (49) in the steering lock releases the cam plate (50) which allows the lock cylinder to be turned back into position "0" and the key can be withdrawn.
If the ignition key is withdrawn or the service brake is not operated, the selector lever cannot be moved out of position "P".
When the service brake is applied or the ignition is turned, the two locking levers (44B) and (44L) are lifted off the cam (48) by the Bowden cables (40B) and (40L) and the parking shift lock is deactivated.