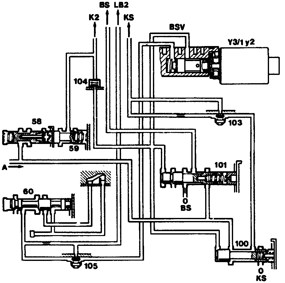
Hydraulic System 4TH - 5TH Gear (722.5)

Hydraulic System 4th Gear
58 Control valve engaged
59 K2 Shift valve
60 B2 Release valve
100 KS/BS Overlap shift valve
101 BS Shift pressure control valve
103 KS Drain valve
104 K2 pressure valve
105 LB2 Drain valve
Y3/1y2 Control valve
A Working pressure (pump pressure)
BS To overdrive brake
KS To overdrive clutch
K2 To clutch K2
LB2 Brake band B2 release side
O-BS Oil sump drain (1.5 mm restrictor)
O-KS Oil sump drain
[] See overall hydraulic diagram for further line routing

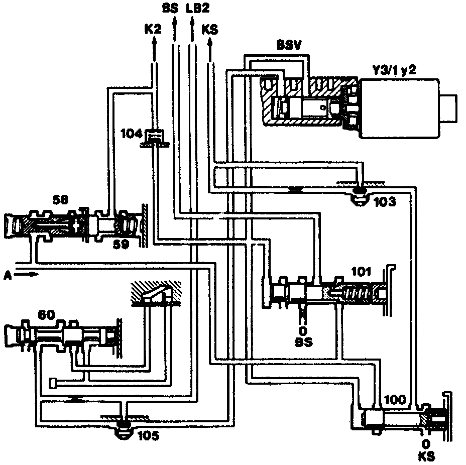
Hydraulic System 5th Gear
58 Control valve engaged
59 K2 Shift valve
60 B2 Release valve
100 KS/BS Overlap shift valve
101 BS Shift pressure control valve
103 KS Drain valve
104 K2 pressure valve
105 LB2 Drain valve
Y3/1y2 Control valve
A Working pressure (pump pressure)
BS To overdrive brake
BSV Overdrive valve pressure brake
KS To overdrive clutch
K2 To clutch K2
LB2 Brake band B2 release side
O-BS Oil sump drain (1.5 mm restrictor)
O-KS Oil sump drain
[] See overall hydraulic diagram for further line routing
After the engine is started, clutch KS is operated with the hydraulic oil pumped by the primary pump, irrespective of the selector lever position, and remains engaged up to 4th gear or in reverse gear. After a 4-5 gearshift is initiated, clutch KS is disengaged and brake BS by means of a modulated pressure. The shift pressure "BS" is controlled by the control valve and set at the shift pressure control valve BS (101).
Bottom Cover
The hydraulic Oil for engaging and disengaging clutch KS and brake BS is controlled by additional slide valves and control valves in the bottom cover. The slide valves and control valves perform the following tasks:
- The KS/BS overlap shift valve (100) disengages the clutch KS once a certain pressure level is set by the control valve (Y3/1y2) and thus prevents clutch KS and brake BS being excitated simultaneously.
- The BS shift pressure control valve (101) controls the pressure to the BS shift element as a function of the pressure of the control valve.
- The function of the pressure valve K2(104) is to harmonize the pressure between the K2 and BS shift elements in the event of a 5-3 downshift. This valve is located in the transmission housing (oil distribution plate).
- The drain valve LB2 (105) opens for draining the brake band 62 release side in the event of a 4-3 downshift (by pressing the filling restrictor LB2).
- The drain valve KS (103) opens for draining clutch KS in the event of a 4-6 upshift to enable the dutch KS to be rapidly disengaged (by passing the filling restrictor KS).