Design and Function of Electronics
GeneralThe electronics control the engaging and disengaging of 5th gear.
The 5-speed automatic transmission control unit (N15/1) receives the following electrical
information:
- voltage supply
- engine speed
- load signal
- accelerator pedal switch
- vehicle speed signal
- D contact switch
- kickdown switch
- E/S mode selector switch
- control valve
- diagnosis

Voltage Supply
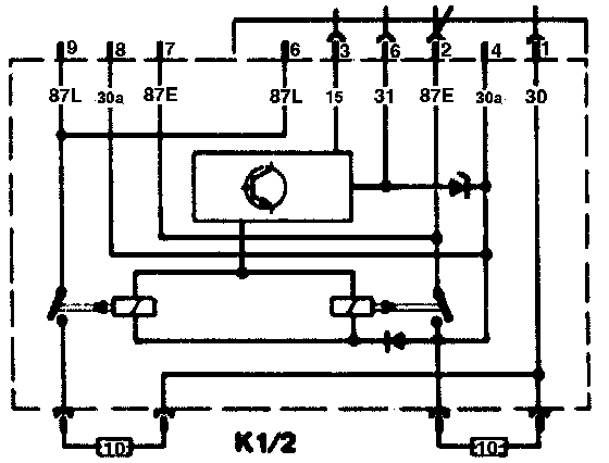
The voltage for the 5-speed automatic transmission control unit (N15/1) is supplied via the overvoltage protection relay (K1/2). It protects the electronic components from overvoltage. An overload is prevented by means of fuses. The 5-speed automatic transmission control unit (N15/1) is supplied by the terminal 87L (9).

5-Speed Automatic Transmission Control Unit (N15/1)
The control unit is identified with HGS = hybrid transmission control. It is equipped with an installation aide and the installation point differs according to the vehicle model.
The connection to the cable harness is by means of a 22-pole connector.
The control unit consists of a printed circuit board with electrical components, and the housing. Its task is to process and analyze the input signals, and to activate or deactivate the control valve accordingly by increasing or reducing the current. This produces the 4-5-4 shift operation.
The control valve sets hydraulic pressures in the bottom cover, which act on the BS and KS shift elements and which, as a result, engage 4th or 5th gear.
Safety Concept
The task of the safety concept is to detect faulty signals in the electronic control unit and faults at peripheral electrical components.
If a fault has been detected in the transmission electronic control, this is noticeable by a hard 3-5 upshift.
The transmission electronic control is not supplied with a function display or fault display.
Self-diagnosis And Fault Memory
The control unit is able to detect certain electrical faults and to store them permanently as a fault. Stored faults are not lost when the ignition is switched off or the battery terminal is disconnected.
Stored faults can be output with pulse counter at the diagnosis test Connector (X11/4) and then erased at the push of a button.
The test is included in the Diagnosis Manual Running Gear.
The following signals cannot be detected at the diagnosis test connector (X11/4):
- selector lever signal (D contact switch)
- kickdown signal
- driving mode signal
Engine Speed
The transmission electronic control is supplied with engine speed pulses for engine speeds between 0 rpm and 8000 rpm. The TN signal comes from the EZL control unit and is drawn from the engine systems control unit (MAS). This signal serves to modulated the pressure for upshifts.
Load Signal (Intake manifold pressure)
This signal is drawn from the EZL control unit. The upshift point as well as the pressure modulation for an upshift and downshift are determined by the load signal.
Vehicle Speed Signal (Output RPM)
The output rpm determines when an upshift takes place and thus the shift sequence. It is also detected whether the vehicle is accelerating or decelerating.
Accelerator Pedal Signal
The accelerator pedal signal is controlled in the throttle valve switch (S29/4) by a potentiometer.

Selector Lever Signal "D"
In selector lever position "P" to "D" the switch is closed and a voltage signal is passed to the 5-speed automatic transmission control unit (N15/1). An upshift into 5th gear is permissible only when selector lever is in position "D".
Signals from kickdown switch (S16/6) and E/S mode selector switch (S16/5)
These signals influence the upshift and downshift point and the downshift modulation.
Control Valve (Y3/1y2)
The control valve (Y3/1y2) is an electro-hydraulic proportioning valve, i.e. a high hydraulic pressure is controlled with low amperage and a low pressure with high amperage.

S29/4 Throttle valve switch
S29/4x1 Plug connection, idle speed/full load detection switch
S29/4x2 Plug connection, accelerator potentiometer
The pressure is fed in through the restrictor (a). The pressure used is the working pressure from 4th gear or higher (A4). The current level produces a particular opening of the valve needle (b), which represents a variable restrictor compared to the constant restrictor (a). This produces the control of the BSV pressure (valve pressure of shift valve BS).

Y3/1y2 Control valve
0 Zero outlet
A4 4th gear working pressure (hydraulic oil from release side of brake band B2)
BSV Valve pressure, shift valve BS
a Restrictor
b Valve needle

Valve Characteristics Curve
The current for controlling the valve pressure (P5) for 5th gear is low.
The current for controlling the valve pressure (P4) for 4th gear is high.