GF27.60-P-3009ACL Engage Gear Range, Function
GF27.60-P-3009ACL Engage gear range, function
- Transmission 722.618/646/694/696
Function requirements
^ Circuit 87 ON
^ Circuit 61 OFF
^ Electronic selector lever module control unit (N15/5) in position "N" or "P"
^ No pressure in hydraulic system
^ All valves in the shift plate in neutral position
^ To engage 1st gear with transmission mode "S" selected
^ To engage 2nd gear with transmission mode "C" selected
General
Each gear change is triggered by the electronic transmission control system. Each shift sequence is assigned a control block.
In each case this includes an overlap regulating valve, a holding pressure shift valve, a shift pressure shift valve, a command valve as well as an electro magnetically operated switchover valve (gearshift solenoid valve 3-4 (Y3/6y4)).
Actuation of the solenoid valve switches over from stationary mode to the shift phase. Once a gear change has taken place the solenoid valve is no longer actuated as the individual gears are subject to a self-holding function in steady-state mode.
Function sequence
The function sequence is described in the following steps:
^ Function sequence of Start the engine (circuit 50 ON)
^ Function sequence of Shifting from "N" to "D" (engagement process active)
^ Function sequence of shifting from "N" to "R"
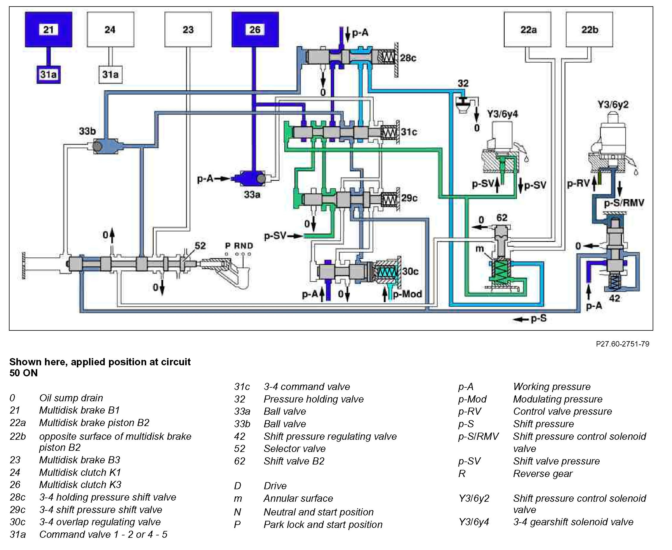
Component Identification:

Function sequence of Start the engine (circuit 50 ON)
The working pressure (p-A) is routed via ball valve (33a) to the multidisk clutch K3 (26) and via the command valve 3 - 4 (31c) to the end face of the shift pressure shift valve 3 - 4 (29c). The 3 - 4 shift pressure shift valve (29c) is moved against the force of the spring towards the right. The gearshift solenoid valve 3-4 (Y3/6y4) is energized simultaneously.
This allows shift valve pressure (p-SV) to enter the spring chamber of the shift valve B2 (62) and to reach the end face of the 3 - 4 command valve (31c).
The shift valve B2 (62) is held in the upper position and the 3 - 4 command valve (31c) switches to the right.
At the end face of the 3 - 4 shift pressure shift valve (29c) the working pressure (p-A) is replaced by shift valve pressure (p-SV).
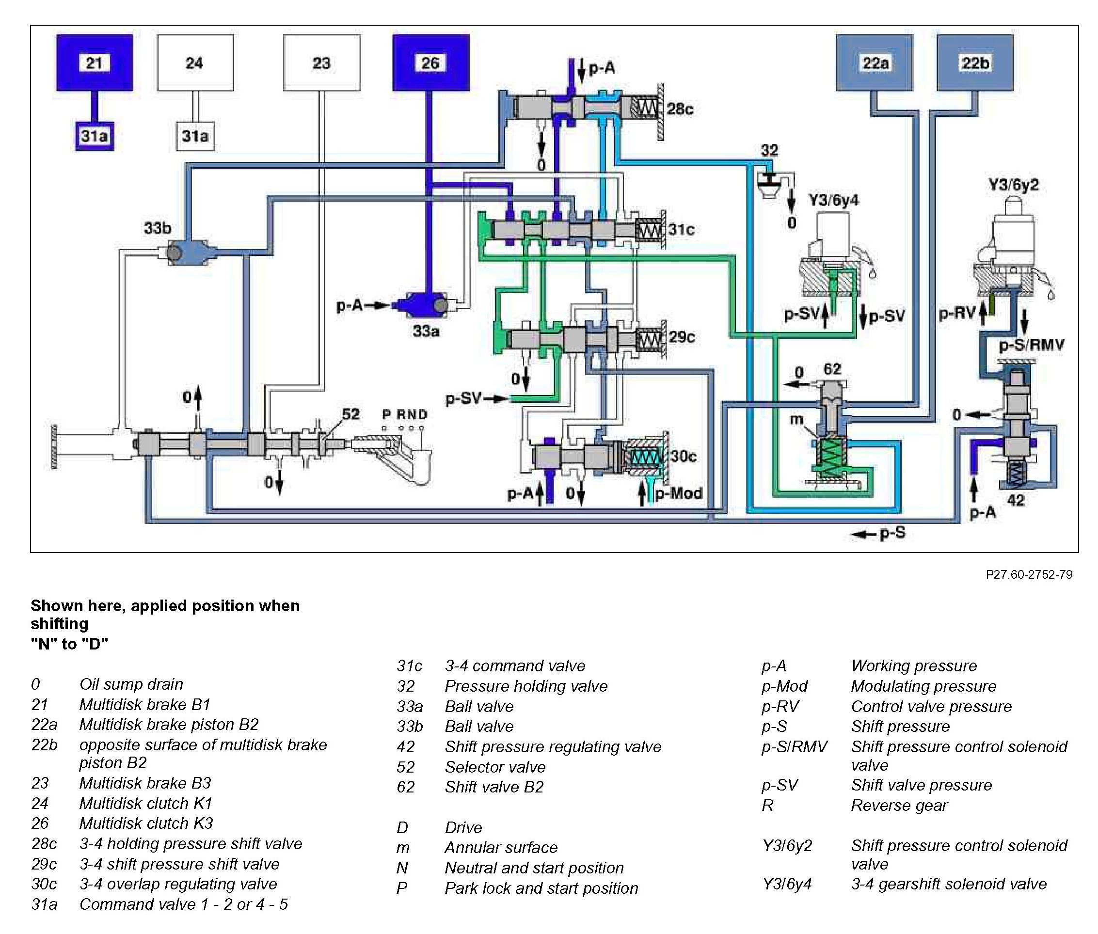
Component Identification:

Function sequence of Shifting from "N" to "D" (engagement process active)
The selector valve (52) opens the shift pressure (p-S) feed connection from the ball valve (33b) with the shift valve B2 (62). In the upper position of the shift valve B2 (62) shift pressure (p-S) reaches behind the piston of the multidisk brake B2 (22a) and simultaneously reaches the opposite surface of the piston of the multidisk brake B2 (22b). The multidisk brake B2 starts to close. The pressure applied to the opposed surface of the piston of multidisk brake B2 (22b) ensures soft engagement of the multi-disk brake B2.
The electronic transmission-control control unit (N15/3) monitors the engagement process via the reduced speed of the input shaft as the frictional connection of the rear multiple-disc brake B2 increases. In the event of a corresponding rpm drop the electronic transmission control control unit switches off the current to the gearshift solenoid valve 3-4 (Y3/6y4).
The spring chamber of the shift valve B2 (62) is depressurized and switches downwards. This causes the line to the opposed surface of the piston of multi-disk brake B2 (22b) to connect to the pressure holding valve (32). The pressure on the opposed surface of the piston of multi-disk brake B2 (22b) drops to a residual pressure.
The 3-4 command valve (31c) moves to the left. Working pressure (p-A) is applied to the piston of multi-disk brake B2 (22a) via the 3 - 4 holding pressure shift valve (28c) and the 3 - 4 command valve (31c).
The activation sequence is complete; 1st gear is engaged.
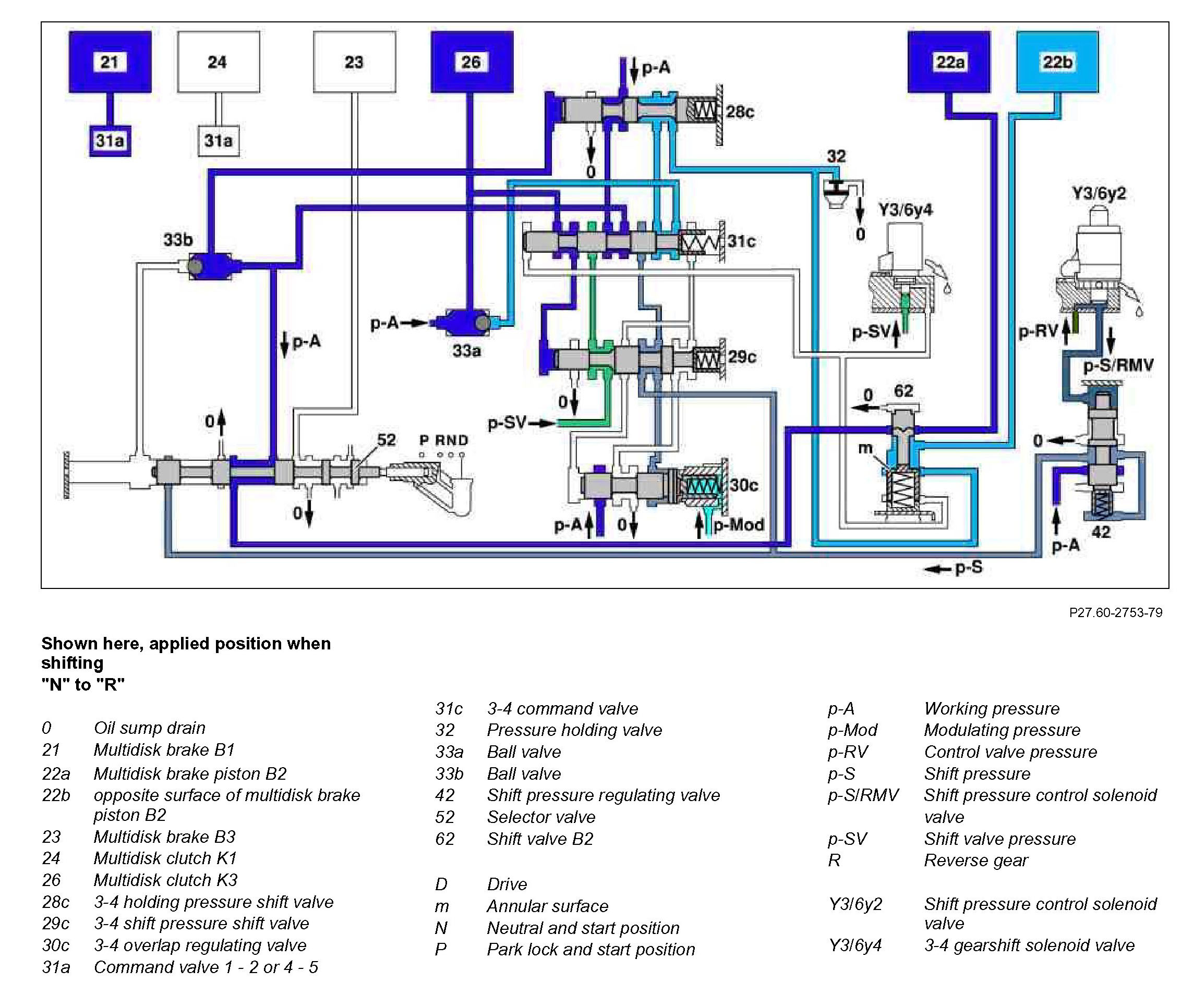
Component Identification:

Function sequence of shifting from "N" to "R"
The selector valve (52) opens the shift pressure (p-S) feed connection to the multi-disk brake B3 (23). There is no opposed surface at the piston of multi-disk brake B3 (23). The engagement process is then identical to that for engaging the multi-disk brake B2.
When the transmission is in stationary mode the line system remains filled with oil. As a result no air can enter the hydraulic system and reduce the shift quality.
