GF27.60-P-2000ACL Gear Shift, Function
GF27.60-P-2000ACL Gear shift, function
- Transmission 722.618/646/694/696
Function requirements
^ Circuit 87 ON
^ Circuit 61 ON
^ Engine speed from CDI control unit (N3/9) (with diesel engine) or ME-SFI control unit (N3/10) (with gasoline engine)
^ Transmission not in limp-home mode
^ Signals from drive train CAN (CAN C)
General
The automatic transmission electric controller unit (Y3/6) converts the electrical signals from the electronic transmission-control control unit (N15/3) into hydraulic signals.
The electronic selector lever module control unit (N15/5) passes on selector lever positions "P", "R", "N" and "D" to the electronic transmission control control unit, taking into account various pieces of information.
The shift range is displayed in the instrument cluster (A1). Although the shift range can be changed in the forward gears while driving, the electronic transmission-control control unit prevents a shift operation if the engine speed is too high or too low.
Function sequence
The function sequence is described in the following steps:
^ Function sequence for upshift and downshift
^ Function sequence for shift to 1st, gear
^ Function sequence for shift phase
^ Function sequence for shift to 2nd, gear
Function sequence for upshift and downshift
In transmission modes Sport "S" and Comfort "C" the driver can select the following functions by operating the selector lever (Touch mode (±)):
One press towards "-" activates the gear limitation or touch shift function (a downshift is made to the gear that lies exactly one below the currently selected one if the engine speed allows). Pressing and holding towards "-" selects the "Shift to optimal gear" function (the gear which allows the best vehicle acceleration is selected).
One press toward "+" with the gear limitation function selected increases gearshift limitation by one gear (e.g. from 3 to 4).
One press toward direction "+" in gear range "D" sends an upshift request to the transmission (the transmission shifts up depending on the driving situation).
Pressing and holding toward "+" cancels the gear limitation function completely (gearshift to "D").
In transmission mode Comfort "C" in comparison to transmission mode Sport "S" a shorter shift range (shifting at low engine speed) and therefore a lower torque is available when starting off forwards and starting off in reverse.
This enables a gentler start-off as the gears are not driven to the limit.
Reverse gear, park position and neutral can only be selected by way of the electronic selector lever module control unit.
Component Identification:

Function sequence for shift to 1st, gear
The end face of the command valve 1 - 2 or 4 - 5 (31a) is held unpressurized via the gearshift solenoid valve 1-2 and 4-5. Working pressure (p-A) is applied to multidisk brake B1 (21) through holding pressure shift valve 1 - 2 or 4 - 5 (28a). The multi-disk clutch K1 (24) is unpressurized.
A forced downshift occurs at excessively low rpm and a forced upshift occurs at an excessively high rpm. When the vehicle is stationary the transmission automatically shifts into 1st gear. It is possible to start off both in 1st or 2nd gear.
Component Identification:

Function sequence for shift phase
Via the 1-2 and 4-5 gearshift solenoid valve the shift valve pressure is switched so that it acts on the end face of the command valve 1 - 2 or 4 - 5 (31a). As a result command valve 1 2 or 4 - 5 (31a) is moved and shift pressure (p-S) (coming from the shift pressure shift valve 1 - 2 or 4 - 5 (29a) via the command valve 1 - 2 or 4 - 5 (31a)) is led to the multidisk clutch K1 (24). At the same time, the multi-disk brake B1 (21) is subjected to overlap pressure from the overlap regulating valve 1 - 2 or 4 - 5 (30a).
The pressure from the multidisk brake B1 (21) acting on the end face of the shift pressure shift valve 1 - 2 or 4 - 5 (29a) is superseded by the working pressure (p-A). The increasing shift pressure (p-S) at the multi-disk clutch K1 (24) acts on the annular surface of the overlap regulating valve 1 - 2 or 4 - 5 (30a) and reduces the overlap pressure regulated by the overlap regulating valve 1 - 2 or 4 - 5 (30a). With an appropriate pressure level at the 1 - 2 or 4 - 5 holding pressure shift valve (28a) this valve switches over.
Component Identification:

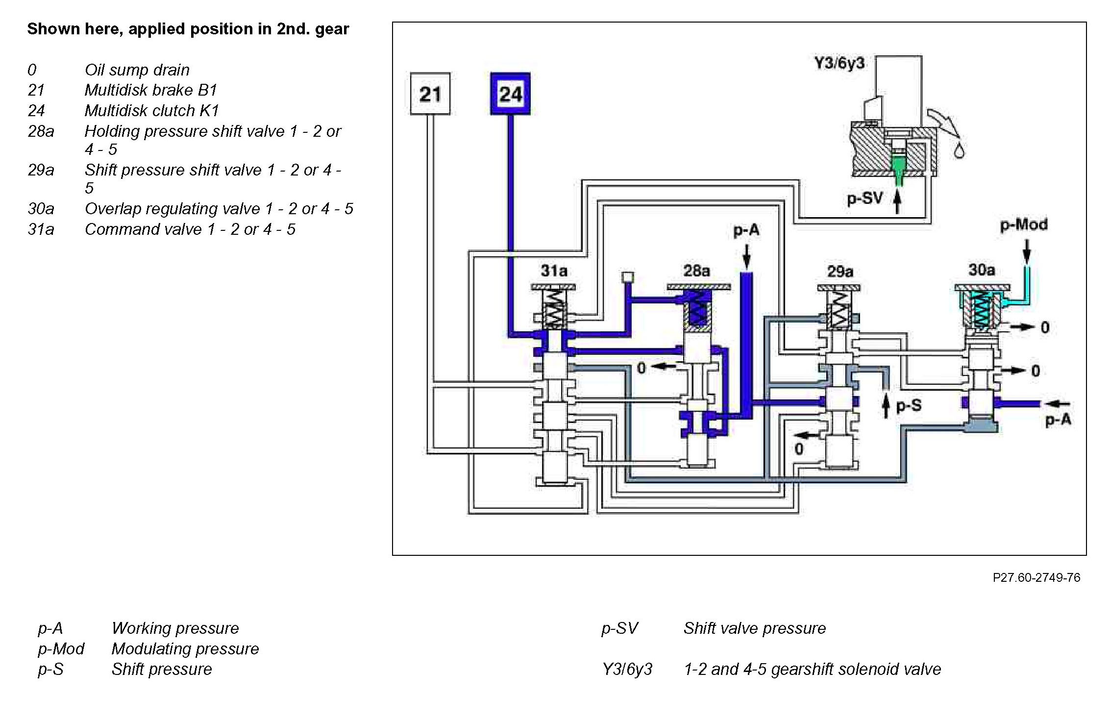
Function sequence for shift to 2nd, gear
After a successful gear change the pressure at the face of the command valve 1 - 2 or 4 - 5 (31a) is reduced via the gearshift solenoid valve 1-2 and 4-5 and this is set back to its original position. The working pressure (p-A) is routed via holding pressure shift valve 1 - 2 or 4 - 5 (28a) and command valve 1 - 2 or 4 - 5 (31a) to the multidisk clutch K1 (24).
The multi-disk brake B1 (21) is disengaged (unpressurized). The spring in shift pressure shift valve 1 - 2 or 4 - 5 (29a) pushes this to its basic position.
