GF27.10-P-3030AHZ Power Flow In Reverse Gear, Transmission Mode "S", Function
GF27.10-P-3030AHZ Power flow in reverse gear, transmission mode "S", function
- Transmission 722.902/903/904/906/907 [model 164.1]
- Transmission 722.902/903/904 [model 164.8]
- Transmission 722.902/904/906/999 [model 251.1]

Function requirements for power flow in reverse gear in transmission mode "S", general
^ Circuit 87 ON
^ Engine running
Power flow in reverse gear, transmission mode "S", general
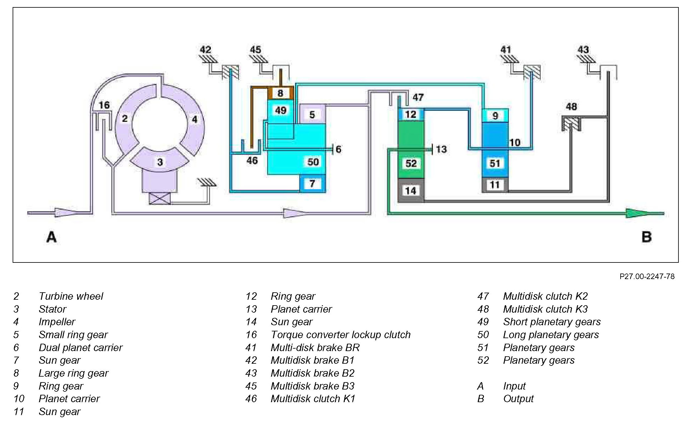
The following multi-disk brakes and multi-disk clutches are engaged:
- Multidisk brake BR (41)
- Multidisk brake B1 (42)
- Multidisk clutch K3 (48)
In reverse gear with
transmission mode "S", the power flows through the following gear sets:
^ Ravigneaux gear set
^ Rear single planetary gear set
^ Front single planetary gear set
Ravigneaux gear set
The small ring gear (5) is driven via the transmission input shaft. The long planetary gears (50) roll over the stalled sun gear (7) and transmit the increased torque and reduced rotational speed as a result to the dual planet carrier (6).
Rear single planetary gear set
The ring gear (9) rotates at the same speed due to the mechanical connection to the dual planet carrier (6). The planetary gears (51) roll on the sun gear (11). Through the stalled planet carrier (10) a reversal of direction of rotation occurs at the sun gear (11).
Front single planetary gear set
There is a connection between the sun gear (14) and sun gear (11) via the engaged multi-disk clutch K3 (48). As a result sun gear (14) rotates at the same speed and direction of rotation as sun gear (11) and drives the planetary gears (52). The increased torque and reduced rotational speed as a result are transmitted via the planet carrier (13) to the transmission output shaft. The transmission output shaft thus rotates at reduced transmission input speed opposite to the direction of the engine.