GF27.10-P-3021AHZ Power Flow In 6th Gear, Function
GF27.10-P-3021AHZ Power flow in 6th gear, function
- Transmission 722.902/903/904/906/907 [model 164.1]
- Transmission 722.902/903/904 [model 164.8]
- Transmission 722.902/904/906/999 [model 251.1]

Function requirements for power flow in 6th gear, general
^ Circuit 87 ON
^ Engine running
Power flow in 6th gear, general
The following multi-disk brakes and multi-disk clutches are engaged:
- Multidisk brake B1 (42)
- Multidisk clutch K2 (47)
- Multidisk clutch K3 (48)
In 6th gear, the power flows through the following gear sets:
^ Ravigneaux gear set
^ Rear single planetary gear set
^ Front single planetary gear set
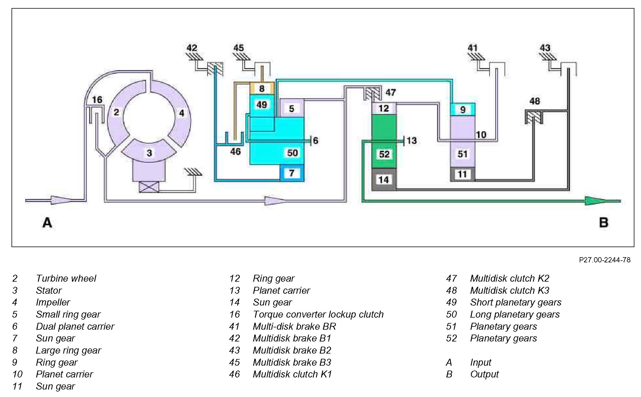
Ravigneaux gear set
The small ring gear (5) is driven via the transmission input shaft. The long planetary gears (50) roll over the stalled sun gear (7) and transmit the increased torque and reduced rotational speed as a result to the dual planet carrier (6).
Rear single planetary gear set
The ring gear (9) rotates at the same speed due to the mechanical connection to the dual planet carrier (6). The planetary gears (51) transmit the rotary motion to the sun gear (11). Sun gear (11) passes on the rotational speed to sun gear (14) via the closed multi-disk clutch K3 (48).
Front single planetary gear set
The transmission input torque and transmission input speed are transmitted to the ring gear (12) by the closed multi-disk clutch K2 (47). The speed difference between the sun gear (14) and ring gear (12) results in a speed increase and torque reduction. These are passed on via the planet carrier (13) to the transmission output shaft. The transmission output shaft thus rotates with reduced transmission input speed in the direction of rotation of the engine.