GF27.10-P-3014AHZ Power Flow In 4th Gear, Function
GF27.10-P-3014AHZ Power flow in 4th gear, function
- Transmission 722.902/903/904/906/907 [model 164.1]
- Transmission 722.902/903/904 [model 164.8]
- Transmission 722.902/904/906/999 [model 251.1]

Function requirements for power flow in 4th gear, general
^ Circuit 87 ON
^ Engine running
Power flow in 4th gear general
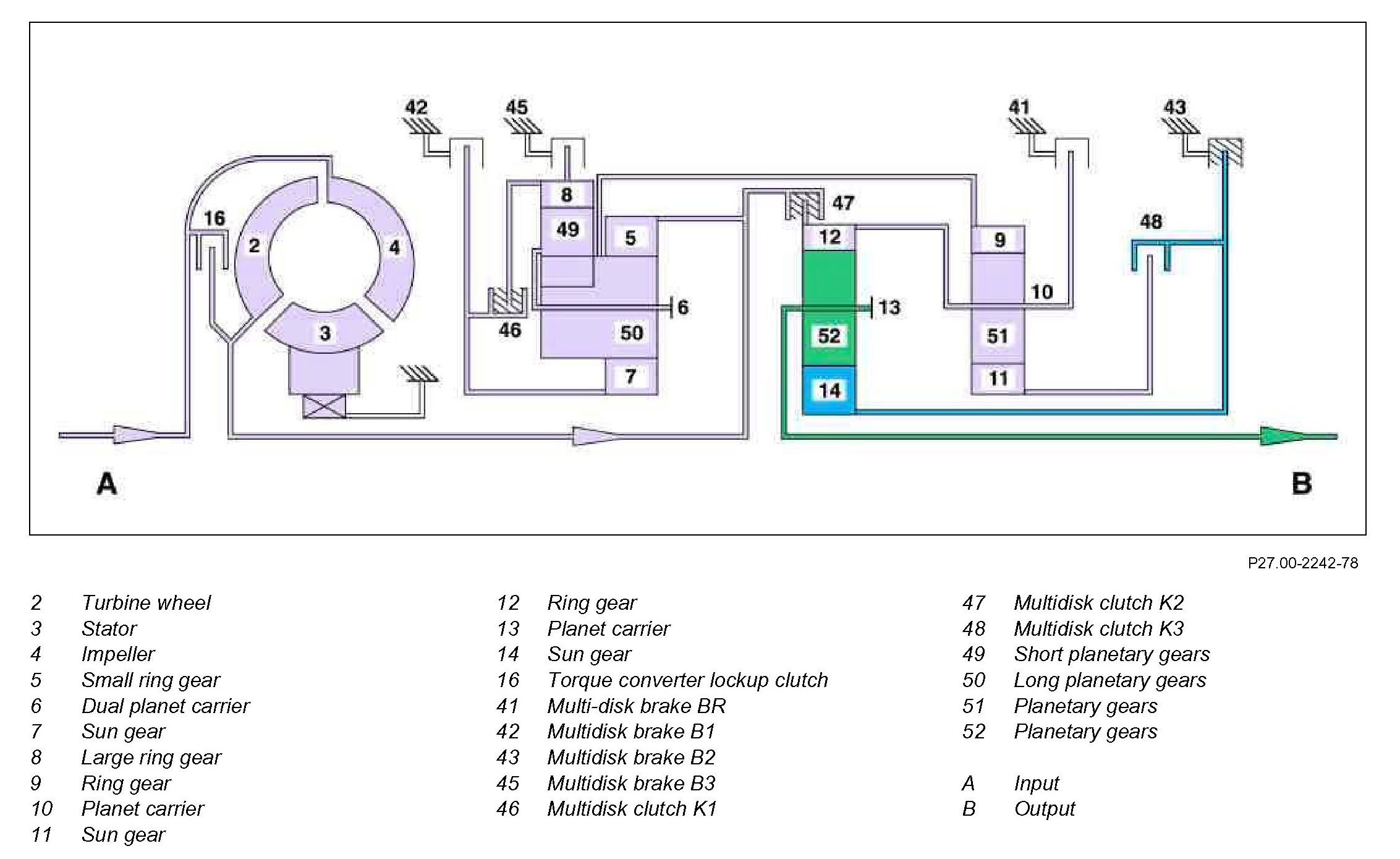
The following multi-disk brakes and multi-disk clutches are engaged:
^ Multidisk brake B2 (43)
^ Multidisk clutch K1 (46)
^ Multidisk clutch K2 (47)
In 4th gear, the power flows through the following gear sets:
^ Ravigneaux gear set
^ Rear single planetary gear set
^ Front single planetary gear set
Ravigneaux gear set
Due to the engaged multi-disk clutch K1 (46) the components of the Ravigneaux gear set are locked together and pass on the transmission input torque and transmission input speed unchanged to the ring gear (9).
Rear single planetary gear set
The engaged multidisk clutch K2 (47) means that the rpm of the ring gears (9, 12) are the same. As a result the rear single planetary gear system is locked and not actively involved in the gear ratio.
Front single planetary gear set
Due to the engaged multi-disk clutch K2 (47) the ring gear (12) is driven at transmission input speed. The planetary gears (52) roll on the stalled sun gear (14) and transfer the increased torque and reduced rotational speed to the transmission output shaft via the planet carrier (13). The transmission output shaft thus rotates with reduced transmission input speed in the direction of rotation of the engine.