GF27.10-P-3013AHZ Power Flow In 3rd Gear, Function
GF27.10-P-3013AHZ Power flow in 3rd gear, function
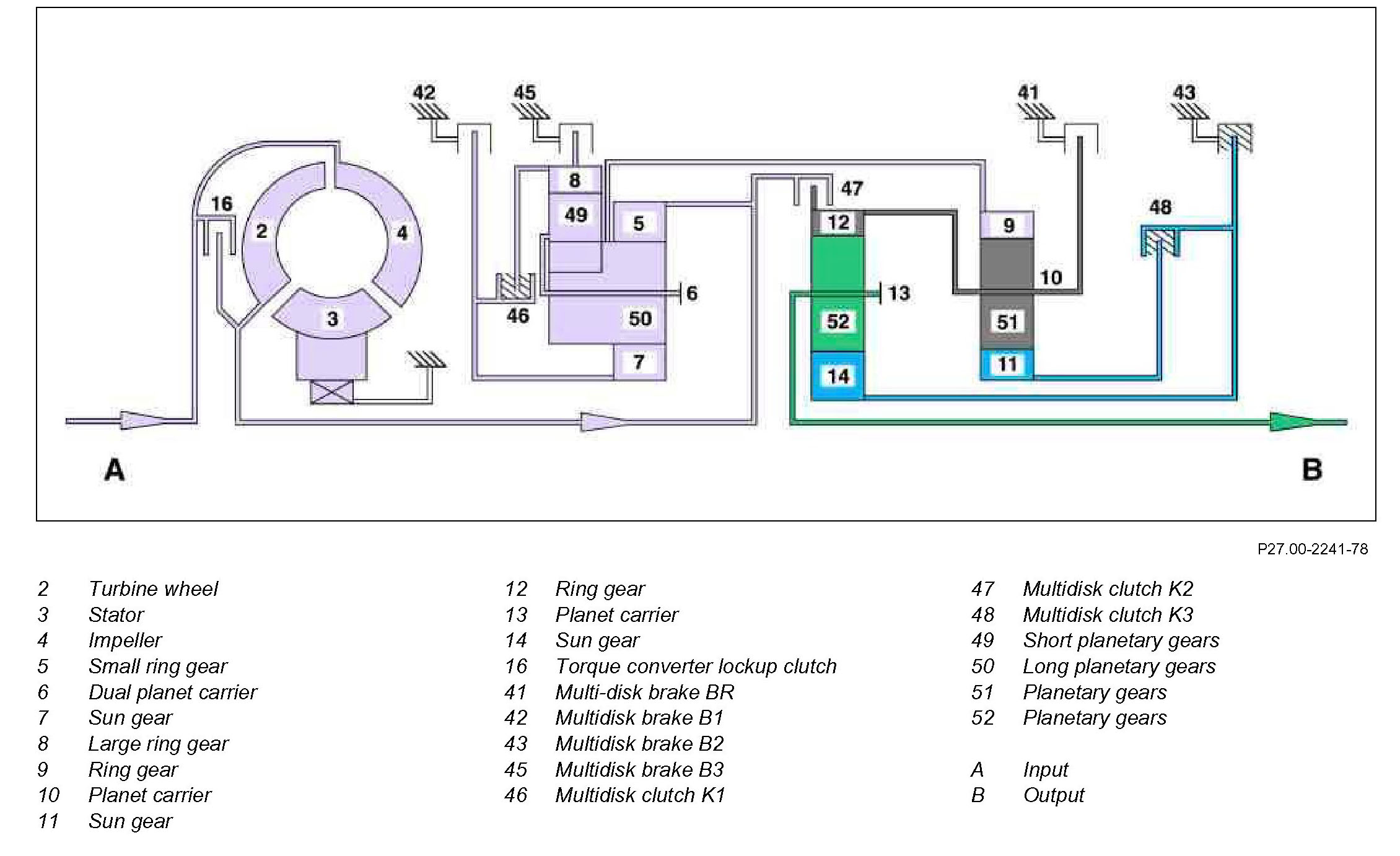
- Transmission 722.902/903/904/906/907 [model 164.1]
- Transmission 722.902/903/904 [model 164.8]
- Transmission 722.902/904/906/999 [model 251.1]

Function requirements for power flow in 3rd gear, general
^ Circuit 87 ON
^ Engine running
Power flow in 3rd gear, general
The following multi-disk brakes and multi-disk clutches are engaged:
- Multidisk brake B2 (43)
- Multidisk clutch K1 (46)
- Multidisk clutch K3 (48)
In 3rd gear, the power flows through the following gear sets:
^ Ravigneaux gear set
^ Rear single planetary gear set
^ Front single planetary gear set
Ravigneaux gear set
Due to the engaged multi-disk clutch K1 (46) the components of the Ravigneaux gear set are locked together and pass on the transmission input torque and transmission input speed unchanged to the ring gear (9).
Rear single planetary gear set
The ring gear (9) drives the planetary gears (51). These roll over the stalled sun gear (11) and transmit the rotary motion to the planet carrier (10).
Front single planetary gear set
The ring gear (12) has a mechanical connection to the planet carrier (10) and rotates at the same speed. The planetary gears (52) roll on the stalled sun gear (14) and transfer the increased torque and reduced rotational speed to the transmission output shaft via the planet carrier (13). The transmission output shaft thus rotates with reduced transmission input speed in the direction of rotation of the engine.