GF27.10-P-3011AHZ Power Flow In 1st Gear, Function
GF27.10-P-3011AHZ Power flow in 1st gear, function
- Transmission 722.902/903/904/906/907 [model 164.1]
- Transmission 722.902/903/904 [model 164.8]
- Transmission 722.902/904/906/999 [model 251.1]

Function requirements for power flow in 1st gear, general
^ Circuit 87 ON
^ Engine running
Power flow in 1st gear, general
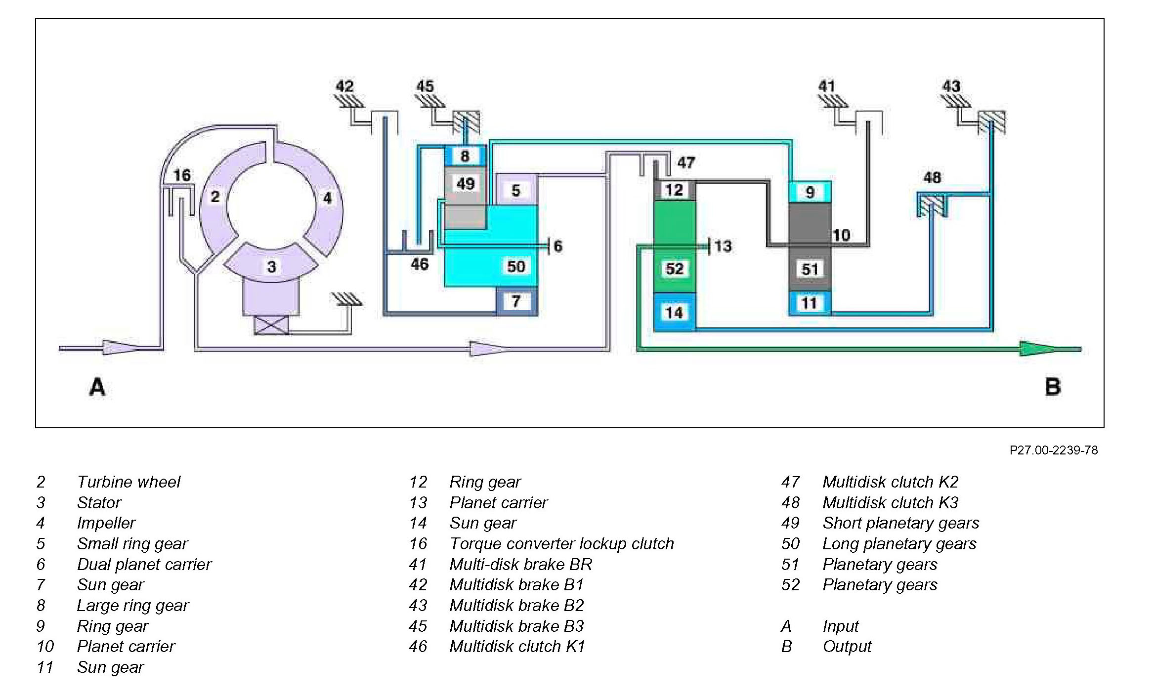
The following multi-disk brakes and multi-disk clutches are engaged:
- Multidisk brake B2 (43)
- Multidisk brake B3 (45)
- Multidisk clutch K3 (48)
In 1st gear, the power flows through the following gear sets:
^ Ravigneaux gear set
^ Rear single planetary gear set
^ Front single planetary gear set
Ravigneaux gear set
The small ring gear (5) is driven via the transmission input shaft. The long planetary gears (50) drive the short planetary gears (49) which roll in the stalled large ring gear (8). An increased torque and reduced rpm occur as a result which are transmitted to the dual planet carrier (6).
Rear single planetary gear set
The ring gear (9) rotates at the same speed due to the mechanical connection to the dual planet carrier (6). The planetary gears (51) roll over the stalled sun gear (11) and transmit the rotary motion to the planet carrier (10).
Front single planetary gear set
The ring gear (12) has a mechanical connection to the planet carrier (10) and rotates at the same speed. The planetary gears (52) roll on the stalled sun gear (14) and transfer the increased torque and reduced rotational speed to the transmission output shaft via the planet carrier (13). The transmission output shaft thus rotates with reduced transmission input speed in the direction of rotation of the engine.