Diagonal Swing Axle With Starting Torque Compensation
Torsion bar on rear axle (Diagonal swing axle with starting torque compensation)
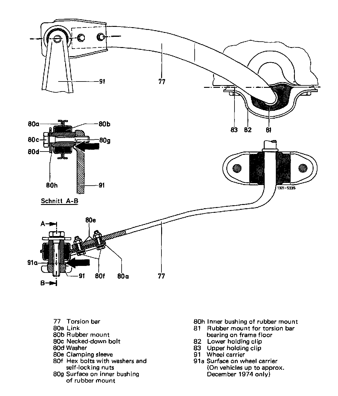
77 Torsion bar
80 Wheel carrier support on torsion bar
81 Rubber mount
82 Upper holding bracket
83 Lower holding bracket
91 Wheel carrier

Wheel carrier support on torsion bar (Diagonal swing axle with starting torque compensation)

77 Torsion bar
80 Wheel carrier support on torsion bar
81 Rubber mount
82 Lower holding bracket
83 Upper holding bracket
91 Wheel carrier

77 Torsion bar
80a Link
80b Rubber mount
80c Necked-down screw
80d Washer
80e Clamping sleeves
80f Hex bolts with washers and self-locking nuts
