Operation CHARM
: Car repair manuals for everyone.
Home
>>
Mercedes Benz
>>
1985
>>
380SL (107.045) V8-3.8L (116.960)
>>
Repair and Diagnosis
>>
Powertrain Management
>>
Ignition System
>>
Diagrams
>>
Diagnostic Aids
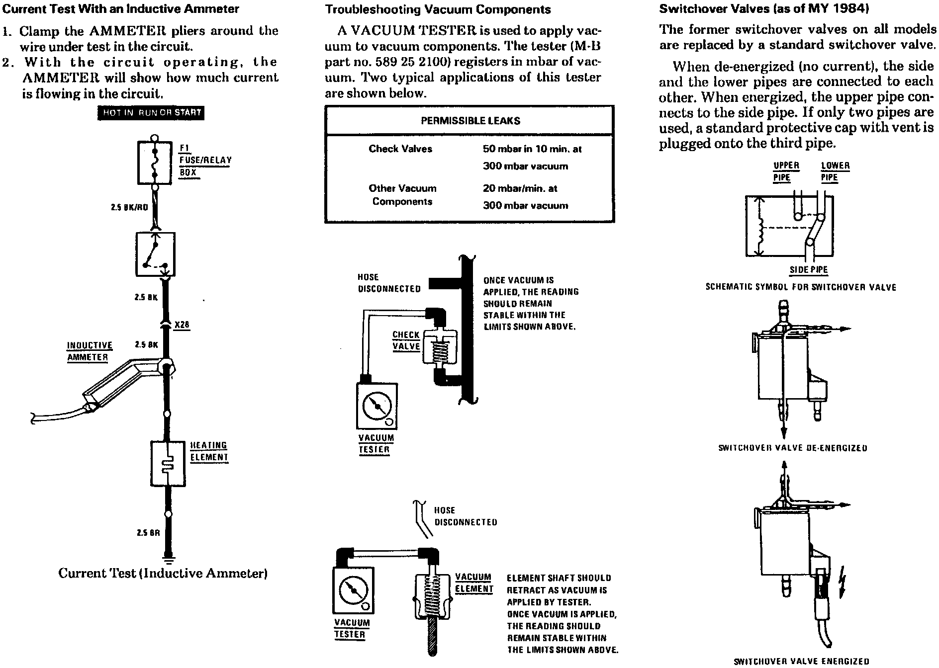
Diagnostic Aids
Troubleshooting Test Procedures Part 1:
Troubleshooting Test Procedures Part 2:
Troubleshooting Test Procedures Part 3: