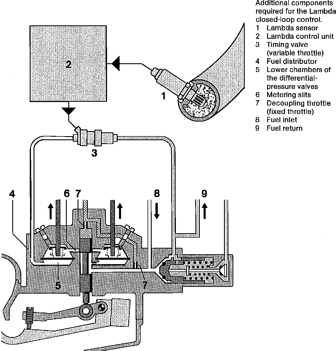
Fuel Distributor: Description and Operation
Fig. 3 Fuel Distributor with Frequency Valve:

Pressurized fuel is delivered to the control plunger inlet and the plunger controls the amount of fuel supplied to the injectors, Fig. 3, Pressure applied to the upper plunger chamber is called control pressure, and is regulated by a control pressure (warm up) regulator. As the volume of air entering the engine increases, the air flow sensor plate rises, the control plunger opens and fuel delivery to the injectors is increased. When air flow decreases, the sensor plate and control plunger drop and less fuel is delivered to the injectors. When the engine is stopped (no air flowing past sensor plate), the control plunger closes off the fuel distributor metering slot and no fuel is supplied to the injectors.
On models with an oxygen sensor circuit, control pressure is also regulated by an electronically operated frequency valve which provides more precise control of air/fuel mixtures.