Cold-Start System Test
Test Values
^ Cranking Voltage - 10 Volts
Special Tools
^ Valve Tester, Bosch KDJE-P 400 - 904 589 00 21 00
^ Connective line, cold-start valve to tester - 117 070 28 32
^ Connecting fitting, connecting line to tester - 915006 004002
^ Safety plug for ignition system - 102 589 02 21 00
Conventional Tools
^ Digital multimeter (volt-ohmmeter) - e.g. Sun Electric DMM-5
^ Tachometer - e.g. Sun Electric
Test
- Disconnect electrical plug from warm-up compensator and from cold-start valve.
�W�Test Procedure:

Fig. 1:

Fig. 2:

Testing The Thermo-time Switch
NOTE:
- The cold-start valve is opened via the thermo-time switch at coolant temperatures below 15°C (59°F). The operating time increases with decreasing temperatures and attains 12 seconds at (-)20°c (-4°F).
- The opening time of the cold-start valve increases with decreasing temperatures by approximately 1.5 seconds for every 5°C (9°F).
^ e.g. 15°C (59°F) = 0 seconds
10°C (50°F) = 1.5 seconds
A. Testing The Thermo-time Switch Below 15°C (59°F) Coolant Temperature
Test Procedure:

Fig. 1:

NOTE: It is recommended to also test the thermo-time switch with an ohmmeter
B. Testing The Thermo-time Switch Above 15°C (59°F) Coolant Temperature
Test Procedure:


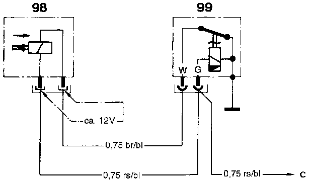
98. Cold-start valve
99. Thermo-time switch
c) To terminal 50
NOTE: Above 15°C (59°F) coolant temperature, the thermo-time switch can be tested only by using an ohmmeter.