AR00.19-P-0120-01B Remove Contacts From Sensor Laminated Contact Connector
AR00.19-P-0120-01B Remove Contacts From Sensor Laminated Contact Connector
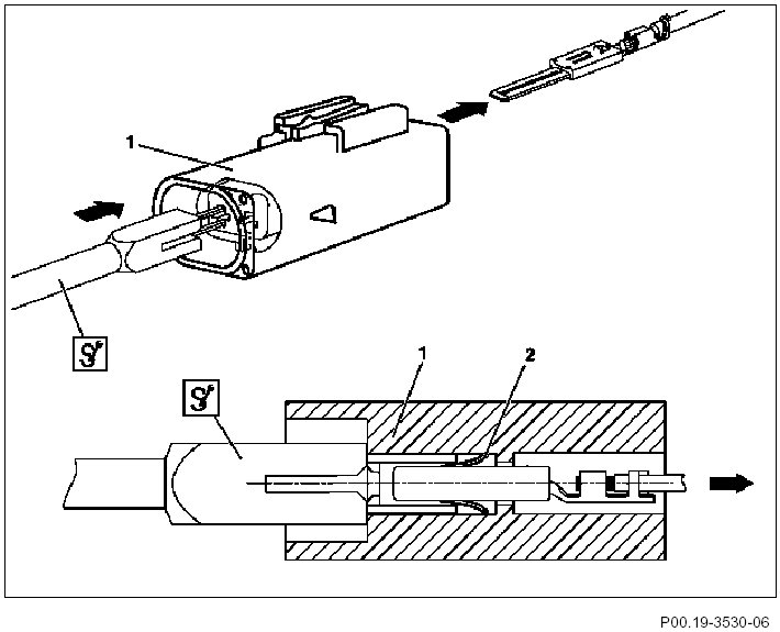
- Sensor-vane-Contact-Stecker Variant 2
220 589 04 99 00, New passenger vehicle wiring harness repair kit

000 589 13 99 00, Wiring harness repair kit, basic

220 589 01 99 50, Blade holder with clamping pliers

220 589 01 99 62, SLK 2.8 blade

Unpin secondary release on version with contact retainer
1 Using a suitable tool, push tabs of contact retainer (1) direction of arrow out of locked position.

Unpin contact pins from the connector
2 Insert blade holder with clamping pliers and SLK 2.8 blade from front side though openings at contact cavity of connector (1).
Insert tool carefully to prevent damaging webs at openings of contact cavity.
This presses together the springs of the contact pin (2).

3 A slight tug on the corresponding cable will remove the contact pin from the connector.
Rocking the contact pin back and forth, thus making use of the full housing tolerance, may help to unpin the contact.