Fuel Gauge
Testing fuel gaugeTest values immersion tube transmitter in ohms
Model Resistance, readout full Resistance, readout reserve
107.04 3.2 ± 0.7 69.1 ± 2.1
107.02 3.2 ± 0.8 69.3 ± 2.5
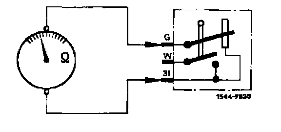
Testing immersion tube transmitter (removed)

Connect ohmmeter to terminal G and terminal 31 and measure resistance.
a) In installation position, (readout reserve, float below).
b) Rotated by 180°, (readout full, float at top).
Testing reserve warning contact
Connect ohmmeter to terminal W and terminal 31 and measure resistance.
a) Nominal value 0 ohm in installation position.
b) Nominal value infinite ohm turned by 180°.
Testing harness

1 Pull coupler from immersion tube transmitter and measure resistance on jack 3 and vehicle ground.
Nominal value 0 ohm
(At test value infinite ohm the grounding line is interrupted).

2 Measure resistance on terminal G and terminal 31 on installed immersion tube transmitter. Value depends on amount of fuel in tank.
Plug coupler back on immersion tube transmitter.

3 Pull coupler from instrument cluster and measure resistance between jack 4 and jack 5 on vehicles with mechanical tachometer.
On vehicles with electronic tachometer between jack 4 and ground.
Nominal value: the value measured under 2. If the value is attained, the harness is in order (slight deviation caused by length of line possible).

4 If the measured value is higher or at ohm, the harness couplers (on instrument cluster, on main harness/tail harness or on immersion tube transmitter) are having poor contact, a dry joint or a line is interrupted.
Indicating instrument
5 If no fault is found during tests, exchange indicator.