Operation CHARM
: Car repair manuals for everyone.
Home
>>
Mercedes Benz
>>
1985
>>
380SL (107.045) V8-3.8L (116.960)
>>
Repair and Diagnosis
>>
Heating and Air Conditioning
>>
Testing and Inspection
>>
Component Tests and General Diagnostics
>>
Automatic Air Conditioning (Auto A/C)
>>
Function Test of Total System and Remedies (with adaptor)
>>
Tests
>>
Test G
Test G
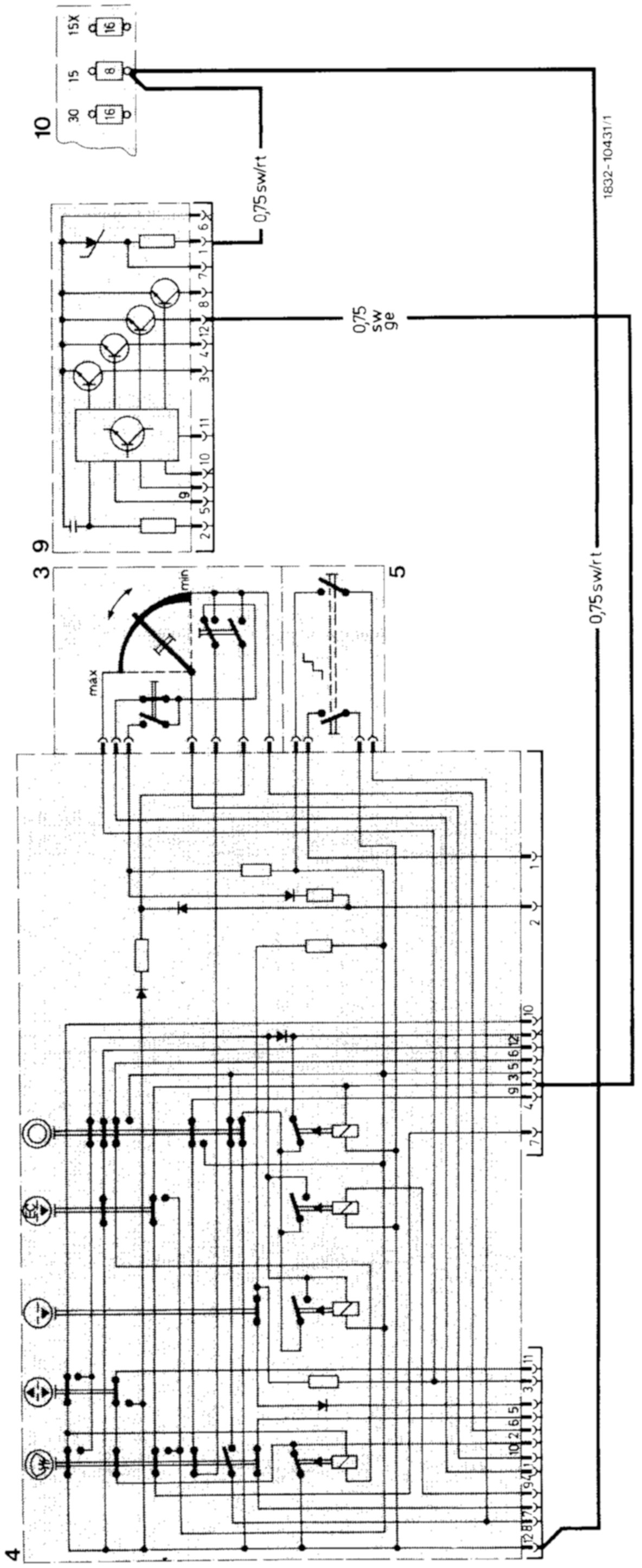
TESTING CONTROL LINE RECIRCULATING AIR AND CONNECTING LINES 1 AND 12
:
Wiring Diagram:
Wiring Diagram Reference
:
4:
Pushbutton switching unit
9:
Electronic switching unit for temperature control
10:
Fuse box