Test E
ELECTROMAGNETIC CLUTCH (26) AND CONNECTING LINES 2 AND 6:
CHECKING FUNCTION SELECTION "c" or "e", AS WELL AS CONNECTING LINES 1 AND 3:


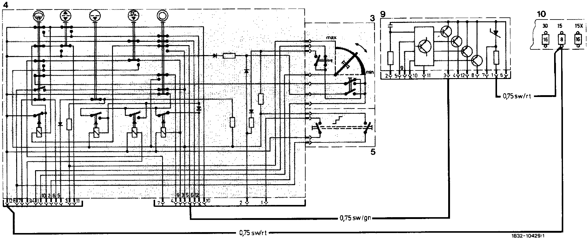
Wiring Diagram Reference:
4: Pushbutton switching unit
9: Electronic switching unit for temperature control
10: Fuse box