Test D
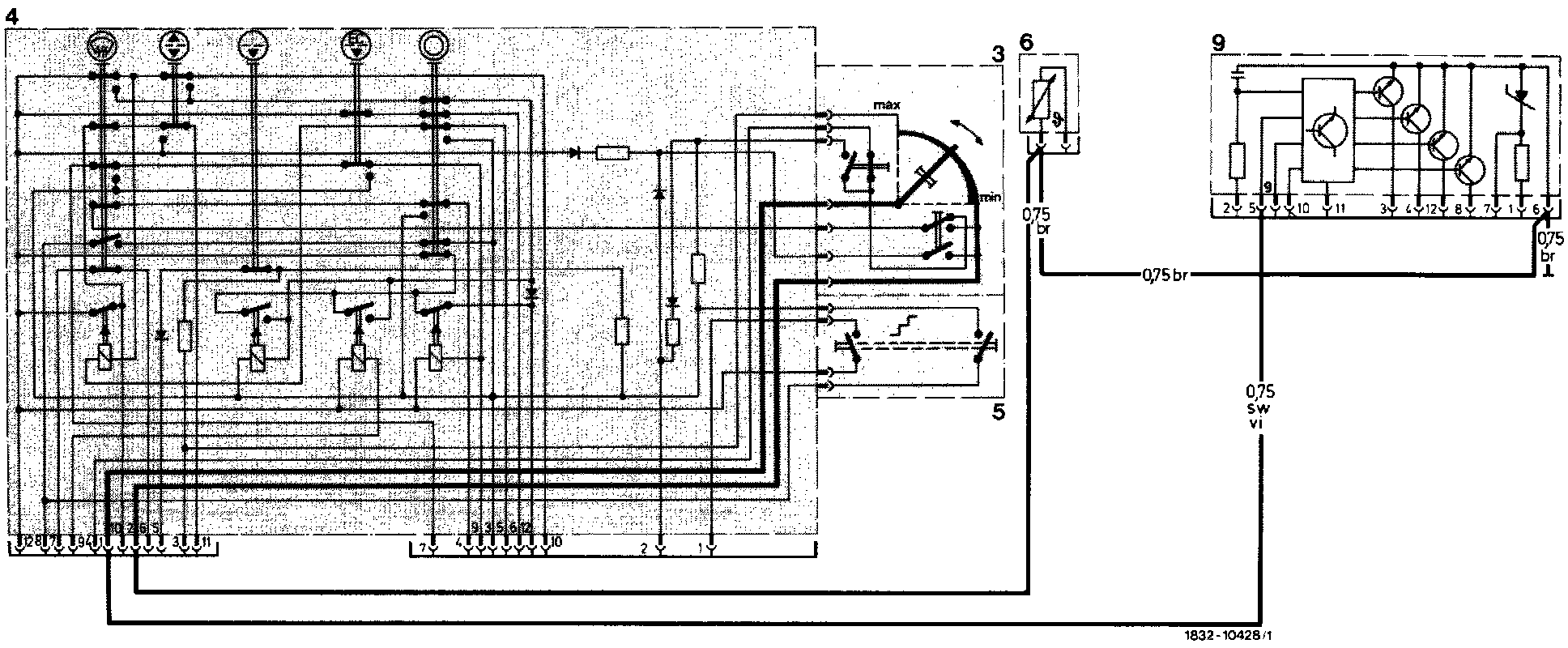
TESTING TEMPERATURE DIAL (3) AND CONNECTING LINES 5 AND 6:
Wiring Diagram:

Wiring Diagram Reference:
3: Temperature dial
4: Pushbutton switching unit
6: Temperature sensor for heat exchanger
9: Electronic switching unit for temperature control