Exhaust System: Service and Repair
Removing and Installing Exhaust System:
Tightening torques, Specifications
Removal and installation of exhaust system is not explained completely but attention is called to particularly important items. which must be observed during removal and installation or when renewing parts, for example end muffler with plug connection.
The same procedure is adopted on vehicles fitted with a retrofit catalytic converter (uncontrolled).
Removal and Installation of catalytic converter (controlled), See Catalytic Converter, Service and Repair. Service and Repair
Removal:
Model 107:

Model 126:

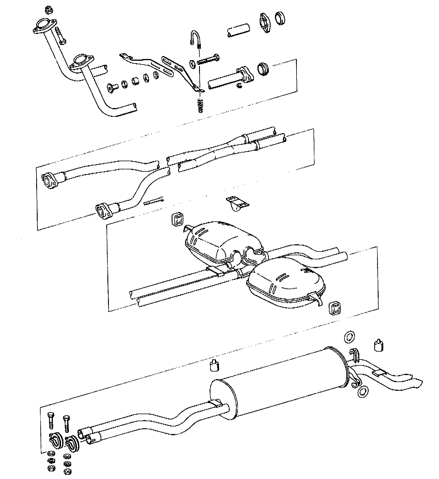
2 Front exhaust pipe
4 Asbestos seating ring
5 Sinter sealing ring
6 Self.locking hex. nut
7 Hex. head screw,
9 Hex. nut
16 Two-hole flange
19 Graphite gasket
20 Counterflange
21 Square head screw
22 Rear exhaust pipe
1 If separation at plug flange connection is not possible. spray exhaust pipes in range of flange connection with a corrosion solvent and let solvent penetrate.
2 Check suspension members for re-use and renew, if required.
3 Prior to assembly of exhaust system, make sure that the flanges are not distorted, align flanges, if required (refer to model 107 on compensating pipe). Clean cone connections of pipes, as well as sinter sealing ring (on model 126), if required. with emery cloth from combustion residue.
4 Renew self-locking hex. nuts and asbestos or graphite gasket after one-time use on principle.
Installation:

5 For renewing end muffler, place new end muffler with plug connection accurately above removed installation and mark pipe length of new end muffler on removed installation.
Cut pipe 80 minus 10 mm from mark in direction of end muffler to guarantee a plug-in depth of 70-80 mm.

6 Tighten flange connection to exhaust manifold only after the complete installation has been connected to rubber rings. Pay attention to correct seat of front exhaust pipe. Tightening torque of hex. bolts 20-25 Nm.
1 Exhaust manifold
2 Flared exhaust pipe
3 Two-hole flange
4 Ball connection connected firmly to exhaust manifold
6 Self-locking hex.nut
7 Hex. bolt
7 Prior to introducing rear exhaust system, position front exhaust pipes with clamp and lateral support first, but do not yet tighten (model 126 only).
Model 126:

8 Mount four disk springs on holding clamp in such a manner that the crowns are each time opposite each other.
Model 107:

Model 126
9 Tighten flange connection on compensating pipe only after the complete exhaust system has been mounted. Then tighten pipe clamp. Tightening torque of self-locking nuts 20-25 Nm (model 107 only).
NOTE: Flanges must be in parallel with each other and should have no contact with each other.
Model 126:

Model 126
10 Mount rear exhaust system with center and end muffler.
11 Mount end muffler in such a manner that clamps of end muffler are approx. 10 mm in front of holders on frame floor (arrow), so that the exhaust system is correctly located for elongation.
NOTE: The above refers to repair version mufflers only with plug connection between center and end muffler.
Model 126:

Model 126
12 Uniformly tighten hex. head bolts of flange connection to 20 Nm (arrows)
13 Mount exhaust lateral support free of tension. Tightening torque of self-locking hex. nuts on clamp 7 Nm, hex. bolts of lateral support on transmission 20 Nm.
14 Run engine and check exhaust system for leaks.
Exhaust system, complete - Model 107.026/045/046

NOTE: On model 107.045 the front exhaust pipes at left and right are single-flow pipes.
Exhaust system, complete - Model 126.03/04
