Rocker Arm Assembly: Service and Repair

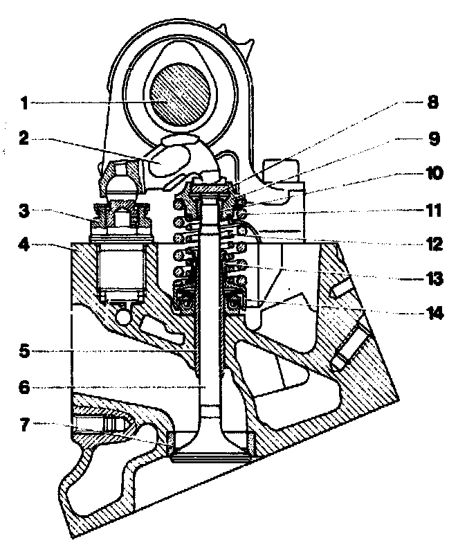
1 Camshaft
2 Rocker arm
3 Hydraulic valve clearance compensating element
4 Cylinder head
5 Valve guide
6 Exhaust valve
7 Valve seat ring
8 Thrust piece
9 Valve spring retainer
10 Valve cone half
11 Outer valve spring
12 Inner valve spring
13 Valve stem seal
14 Rotocap
NOTE: Install rocker arms in the same position from which they were removed.
If rocker arms are mixed up or replaced, check basic position of hydraulic valve clearance compensating elements. Service and Repair
When installing new rocker arms also replace the corresponding camshaft.

CAUTION: With hydraulic valve clearance compensating elements use rocker arm with chamfer (arrow) only.
Rocker arms of engines 116 and 117 and the rocker arms of engine 110 may not be interchanged.
Removal:

1 Rotate engine so that the respective cam tip points upwards:
Modal 107
On 4-point cable connector, disconnect cable terminal 16 (cable color red / purple) so that ignition coil and fuel pump are not activated. Connect terminal 30 (cable color red) and terminal 50 (cable color purple).

Model 126
Disconnect cable plug (terminal 16, arrow) so that the ignition coil and the fuel pump are not activated. Connect terminal 30 and 50.

2 Remove rocker arms by means of spring compressor.
Installation
3 Lubricate sliding and contact surface of rocker arm.
4 Install rocker arm.
CAUTION! If a camshaft or a rocker arm has been replaced, check basic position of hydraulic valve clearance compensating elements. Service and Repair