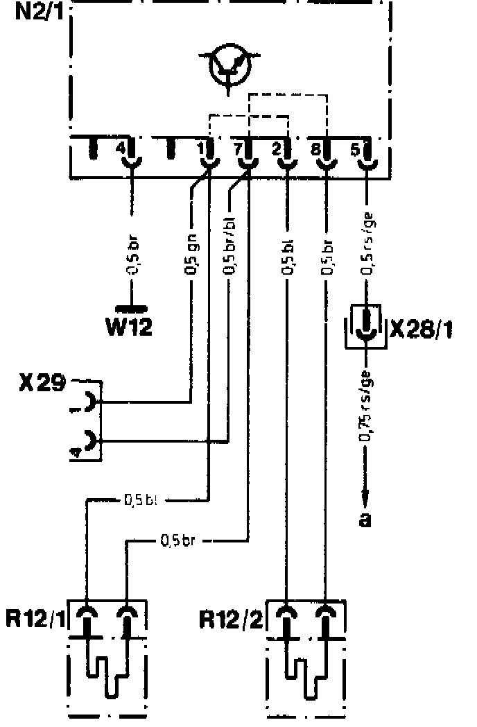
Seat Belt Tensioner
Belt Tensioner Wiring Diagram:

N2/1 Control unit, belt tensioner
R12/1 Detonator, belt tensioner, front left
R12/2 Detonator. belt tensioner, front right
X28/1 Plug connection, power supply, belt tensioner
X29 Test coupling, belt tensioner
W12 Main ground point, center console
a To fuse box, terminal 15 R